520/7DDZ雙觸點壓力控制器
發布時間:2015-01-29 07:34:17 點擊:1281

產品詳細:
簡介:
520/7DDZ雙觸點差壓控制器采用波紋管式的傳感器,可用于中性氣體、液體介質,空氣、氣體、水、水蒸汽、制冷劑、油等。520/7DDZ雙觸點差壓控制器的設定值可調,調節范圍0.02~1.6MPa,工作壓力范圍0.05~2.5MPa。
主要技術性能:
規格:切換差不可調
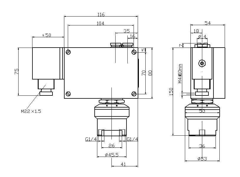
尺寸圖
下一篇:500/7DZ雙觸點壓力控制器


簡介:
520/7DDZ雙觸點差壓控制器采用波紋管式的傳感器,可用于中性氣體、液體介質,空氣、氣體、水、水蒸汽、制冷劑、油等。520/7DDZ雙觸點差壓控制器的設定值可調,調節范圍0.02~1.6MPa,工作壓力范圍0.05~2.5MPa。
主要技術性能:
規格:切換差不可調
尺寸圖
下一篇:500/7DZ雙觸點壓力控制器